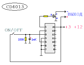
Схема собрана на микросхеме D-триггера CD4013 и полевом транзисторе IRF630 в режиме "выкл." ток потребления схемы - практически 0. Для стабильной работы D-триггера на входе микросхемы подключен фильтр резистор и конденсатор их функция - устранение контактного дребезга. Не используемые выводы микросхемы лучше никуда не подключать. Микросхема работает от 2 до 12 вольт, в качестве силового ключа можно использовать любой мощный полевой транзистор, т. к. сопротивление сток-исток у полевого транзистора ничтожно мало и не нагружает выход микросхемы.



IRF630 полевой транзистор рассчитан на 9A нагрузки и максимальной номинальной мощностью 75 Вт (как при случае температуре 25 ° C). Ток падает до 6А и мощностью до 30 Вт при 100 ° C, так что платит, чтобы держать дело круто, когда требуются более высокие степени. Если вы собираетесь переключить любой ток в течение разумного периода времени, то рекомендуется установить радиатор на полевой транзистор, чтобы держать это круто.

IRF630 полевой транзистор рассчитан на 9A нагрузки и максимальной номинальной мощностью 75 Вт (как при случае температуре 25 ° C). Ток падает до 6А и мощностью до 30 Вт при 100 ° C, так что платит, чтобы держать дело круто, когда требуются более высокие степени. Если вы собираетесь переключить любой ток в течение разумного периода времени, то рекомендуется установить радиатор на полевой транзистор, чтобы держать это круто.
Комментариев нет:
Отправить комментарий